@Noah_Dolieslager
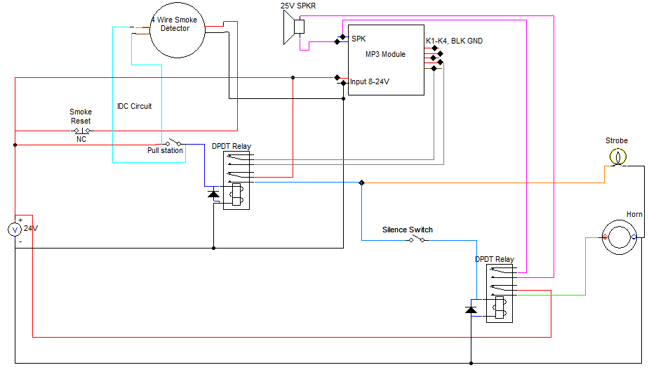
Here is a diagram:
Its a bit complicated, but this has a normally closed push button switch that resets the 4 wire smoke, incase if you get one. Two DPDT 24V Coil relays, one activates the mp3 module via K1 and GND, and another pair of contacts goes to a silencing switch to another DPDT 24V Coil relay that controls the horn on one contact and another for the speaker output.
Red: 24V (Positive)
Cyan: IDC Circuit
Orange: Strobe Circuit
Magenta: Speaker wires
Blue: activation from IDC Circuit
Black: Common Ground (Negative)
Green: Horn Circuit
Grey: activation to K1 and GND on MP3 module
Light Blue: NAC Circuit
If you need any help, shoot a DM to my messages at anytime.
